A PROUD MEMBER OF IKK GROUP
Home
About us
products
Our brands
projects
careers
Contact us
MENU
Home
About us
products
Our brands
projects
careers
Contact us
Our Products
Sanitary Ware
Fittings & Mixers
Accessories
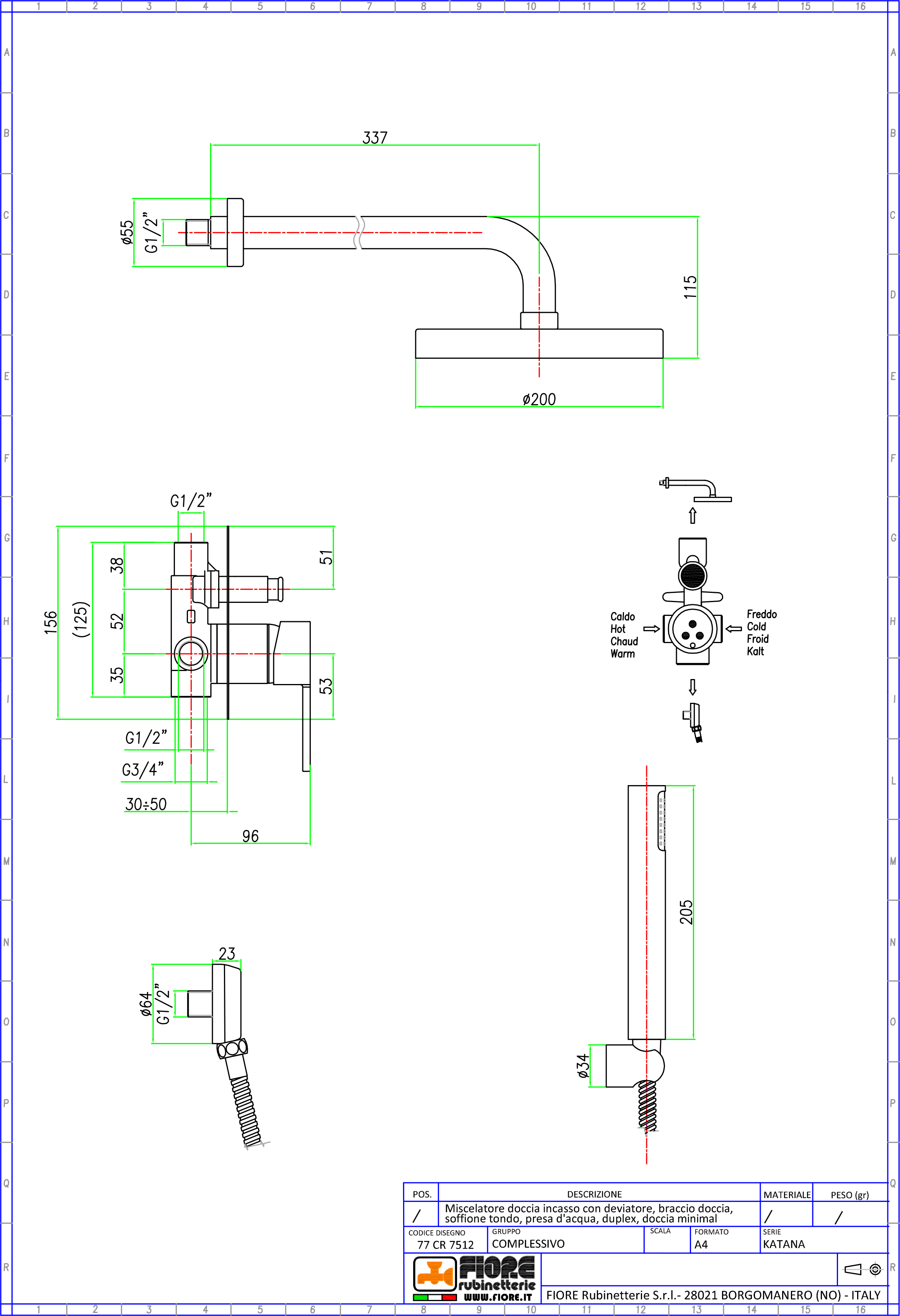
Products
- Fiore -
KATANA
Description
References: 77CR7512